EVS 弹性振动支撑适用于各类筛分及振动输送设备,凭借丰富的产品体系,为不同工况需求提供全面的弹性振动支撑解决方案。其产品覆盖广泛,不仅包含从标准型到重载型的多类常规款式,还提供不锈钢材质选项,能适配更复杂的使用环境。
特别针对直线振动筛与圆振动筛的运行特性,EVS 弹性振动支撑进行了专项设计开发,确保与设备适配性更强、支撑效果更稳定。其中,免维护款弹性振动支撑可广泛应用于悬挂式与支撑式振动筛分、输送设备,具备振幅大、减振效果优异的特点,能有效降低设备运行噪音与振动干扰。
此外,我们所有 EVS 弹性振动支撑产品均具备耐腐蚀性能与过载保护功能,可在恶劣工况下长期稳定工作,大幅提升设备整体运行可靠性与使用寿命。
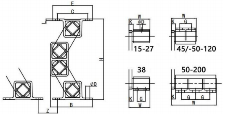
弹性振动支撑 T D-F 型
适用于大振幅高频率高度隔振 吸收瞬间的冲击载荷 没有噪音且不会产生侧摆适 用与各种直线与斜面振动 设备免维护,经久耐用 适用温度-55°C至85°C
|  |



宁波市亿纬减震技术有限公司,专业销售EVS和PAVO品牌的弹性张紧装置,弹性支撑。振动与输送TD型,TD-R型,TD-F型,TD-FR型,FS-A型,FS-AP型系列。弹性组件,弹性模块,OB-X型,OB-S型,OC-X型,OC-S型,OT-X型,OT-S型。弹性张紧技术AD型。弹性减振技术TD-S型,SC型等。产品广泛应用于矿山设备,动漫设备,蔬果设备,食品加工,施工机械,木材加工等行业,欢迎新老客户来电咨询。