首页
行业应用
产品
服务
技术
新闻中心
关于EVS
联系我们
新闻中心
EVS产品的应用非常广泛。其中一部分较为复杂,需要不同领域的丰富经验。我们不仅为客户挑选最合适的EVS产品,同时还提供技术支持、产品定制等服务。
橡胶弹性涨紧器
2025-10-02
橡胶弹性涨紧器
了解详情
弹性振动支撑的应用
2025-10-02
了解详情
创新的结构设计,超强的过载能力,EVS普瑞纳弹力减振支撑为您解决振动设备共振难题
2025-09-30
创新的结构设计,超强的过载能力,EVS普瑞纳弹力减振支撑为您解决振动设备共振难题
了解详情
振动筛老板看过来,振动筛减震支撑让钢弹簧输惨了
2025-09-30
振动筛老板看过来,振动筛减震支撑让钢弹簧输惨了1,复合弹性体缓冲,小震动温柔吸能,大冲击瞬间变刚2,耐油耐酸碱普通弹簧BS弹性支撑开启电源刚柔智能切换启动无冲击,秒杀钢弹簧硬碰硬,共振风险降70%,关闭电源吸收停机惯性冲击,避免停机筛体晃动,起停一瞬间性能见高下,支撑4两波千斤钢弹簧硬钢伤机身,EVS弹力减震支撑,拒绝钢弹簧生命,拥抱无形科技。
了解详情
自动张紧装置
2025-09-29
展品介绍自动调节张紧力,高效清除物料,始终保持刮刀与皮带的理想接触力且防止损伤皮带,有效延长皮带寿命。
了解详情
宁波市亿纬减震技术有限公司橡胶的测试与开发
2025-09-29
宁波市亿纬减震技术有限公司的工厂拥有先进的设备和工艺,配料与炼焦车间精确选择优质原料和添加剂,确保产品卓越性能,冲压车间精心设计和管理每个环节,确保零件精确度和品质,硫化车间精确控制硫化过程,确保产品稳定性和耐用性,喷涂车间采用先进表面处理和喷涂技术,增强防腐蚀和耐磨性能,研发检测中心持续新产品研发和创新,保证产品符合最高标准,包装车间注重每个细节,确保产品安全完好的送达客户手中。EVS致力于提供高品质弹性减震支撑产品,满足客户需求,更多减震减噪方案。
了解详情
橡胶弹性组件弹性装置缓冲器皮带链条张紧装置弹簧张紧器
2025-09-28
橡胶弹性组件采用扭转力的橡胶体设计,橡胶内置物因分子摩擦能缓解约20%的输入震动或冲机,适用于各类筛分机和震动输送机,弹性模及弹簧减震器和轴承的多种功能于一体,实现推拉或张紧等多重用途,具有良好的防磨损性能,有效吸收噪声以及缓解震动等优点,摆动角度最大可达±30°。弹性橡胶组件功能多样,可替代传统应用,实现多种机械功能。更多减震技术请联系中向减。
了解详情
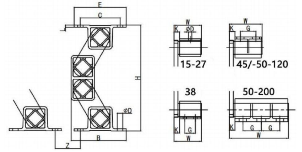
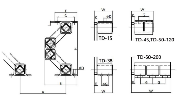
振动与输送TD-FR型
2025-09-26
振动与输送TD-FR型适用于大振幅高频率高度隔振吸收瞬间的冲击载荷没有噪音且不会产生侧摆适用与各种直线与斜面振动设备免维护,经久耐用适用温度-55°C至85°C
了解详情
宁波市亿纬减震技术有限公司——振动与输送FS-A型
2025-09-25
振动与输送FS-A型
了解详情
宁波市亿纬减震技术有限公司——振动与输送FS-AP型
2025-09-23
振动与输送FS-AP型
了解详情
宁波市亿纬减震技术有限公司振动与输送FD-X型
2025-09-22
振动与输送FD-X型
了解详情
宁波市亿纬减震技术有限公司——振动与输送FD-XP型
2025-09-20
振动与输送FD-XP型
了解详情
‹
1
2
3
4
5
6
7
8
9
10
11
12
›